News Center
News Center

思遠半導體市場銷售總監 王飛
10月30日至31日,由電子發燒友和慕尼黑華南電子展聯合主辦的以“智物聯,新風向”為主題的2023第十屆中國IoT大會在深圳國際會展中心圓滿舉行,本次大會旨在為各大應用市場更好地了解最新IoT創新技術帶來的商機和挑戰,更好地把握市場脈搏。其中,思遠半導體市場銷售總監王飛受邀出席本屆大會的可穿戴設備分論壇,為現場與會人士帶來關于“思遠半導體智能穿戴低功耗電源解決方案”的演講,包括分享智能手表發展的歷程與功能演變,以及介紹基于智能手表對電源在更長續航、精準監測、穩定連接等方面的需求,思遠半導體可提供的更高效、更緊湊、更智能的智能穿戴產品電源解決方案。

Buck:
低功耗//低紋波//高效率//
優秀的動態響應
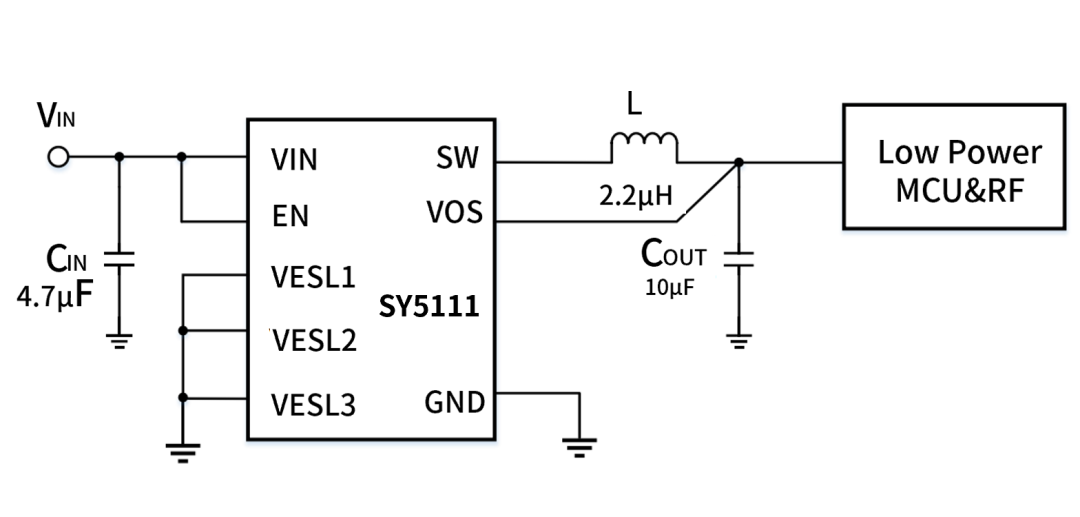
SY5111、SY5112
SY5111:6V,300mA 低功耗Buck
SY5112:6V,600mA 低功耗Buck
?2.15~6V 輸入電壓
?靜態功耗低至200nA
?100uA負載效率高達90%
?輕載PFM模式
?輸出電壓可選
?輸出放電模式
?WLCSP-8:1.7mm*0.9mm
?DFN2x2-8


Boost:
低功耗//低紋波//高效率//
優秀的動態響應
SY5951
超低功耗同步Boost
?0.7~5.5V 輸入電壓
?Vin:50nA靜態電流
?峰值限流高至1A
?輕載PFM模式 輸出電壓可調,定壓版本可選
?Shutdown模式下輸出完全斷開
?0.1mA負載效率高達90%
?10-300mA負載效率高達93%
?WLCSP-8:1.4mm*1mm
?DFN2x2-8

LDO:
低功耗//高PSRR//高精度
SY5002
5.5V,300mA低功耗LDO
?1.8~5.5V 輸入電壓
?靜態功耗低至600nA
?Standby電流低至30nA
?1%輸出電壓精度
?固定輸出電壓版本
?PSRR:63dB @10mA,0.8V,1kHz
?輸出自動放電功能
?Low dropout電壓:196mV @3.3V,300mA
?DFN1x1-4
?SOT23-5

Load-switch:
低功耗//低阻抗//小封裝//
部分應用需要輸出防倒灌
SY5702
5.5V,2A,帶RCP低功耗Load-switch
?1.2~5.5V 輸入電壓
?靜態功耗低至250nA
?shutdown電流低至10nA
?43mohm內部阻抗
?輸出電壓防倒灌功能
?輸出自動放電功能
?FOCSP4:0.76x0.76mm
?DFN1x1-4

SY5701
5.5V,1.5A,低功耗Load-switch
?1.2~5.5V 輸入電壓
?靜態功耗低至15nA
?shutdown電流低至10nA
?66mohm內部阻抗
?輸出自動放電功能
?FOCSP4:0.76x0.76mm
?DFN1x1-4

穿戴系統的充電管理:
低功耗,高精度等
SY6202
I2C,NVDC,1.5A Buck 開關充電
?耐壓高達22V
?1.5MHz開關頻率
?0.5%充電電壓精度
?5%充電電流精度
?截止電流低至20mA
?1A充電效率高達92%
?內置遠端電池采樣
?內部參數I2C可調
?NVDC power path
?10.5uA stand-by電流
?Shipmode電流低至1.2uA
?CSP20-2x2mm

伴隨人工智能、物聯網等高新技術持續發展、消費者對電子終端的需求逐步增加,智能穿戴產品的功能將隨之更加完善,芯片在其中發揮的核心作用也將更為重要,思遠半導體將會持續深耕智能穿戴產品市場,不斷提升團隊研發及創新實力,為全球客戶帶來更多優質的“芯”產品。
上一篇思遠半導體榮獲“2023年國家知識產權優勢企業”認定2023.12.14
下一篇思遠半導體SY8801獲倍思Bowie WM02+采用,助其充電倉實現多樣功能2023.10.25