Recently, PMIC SY5500 of Thinkplus Semiconductor has been widely adopted by brands such as OnePlus Buds Pro, Flydigi X1, Soundcore Life P3, and Nothing Ear1 earbuds, and has won unanimous praise from customers. Below is the detailed introduction of the excellent performance of SY5500.
A charging + isolated communication solution specifically designed for TWS earbuds
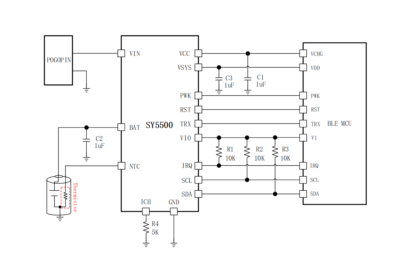
SY5500 is specially designed for TWS earbuds, providing a perfect solution for charging and isolated communication. It integrates linear charger, discharge protection, single-line bidirectional data communication between cradle and earbuds and I2C communication interface to allow for charging-discharge management and protocol communication.
SY5500 supports adjustment of maximum charge current via external resistor, and of constant current charge ICC and floating charging voltage (VFLOAT) I2C. The integrated NTC ensures safer charging and discharging of the battery. The battery discharge protection and ship mode ensure low power dissipation of earbuds system.

(Schematic diagram of SY5500 typical application)
The private control command is sent from the earbuds cradle via VIN to control the IC, so as to turn on / off and reset the master of earbuds. SY5500 also supports identification of earbuds in or out of the cradle and issues a notification to the master. Multiple functions and low power dissipation ensure a shorter development cycle of Bluetooth earbuds, and the simplified 1.6mmx1.6mm QFN14 package greatly saves space for Bluetooth earbuds solution.
Ten years of technology accumulation shapes Thinkplus Semiconductor into the leader of power management IC in TWS industry
Since its establishment, Thinkplus Semiconductor has been focusing on the design of POWER+ power management system chip for battery applications and is dedicated to providing cutting-edge battery management system-level chip solutions for smart wearables, consumer electronics, industry, energy storage system, new energy vehicles, etc. The product portfolio includes power bank management SoC, TWS earbuds power management chips, Li-ion battery charging chips, power management integrated circuits (PMIC), wireless charging chips, etc.
In the past two years, the market share of TWS earbuds battery management chips of Thinkplus Semiconductor ranked first, with a total shipment volume of more than 700 million pieces, and the chips have been adopted in the products of well-known brands at home and abroad, such as Xiaomi, vivo, OPPO, OnePlus, realme, Transsion, Meizu, 1MORE, Baidu, NetEase, EDIFIER, JBL, Harman, Lenovo, etc. It is committed to providing hundreds of millions of consumers around the world with better product experience by innovated technology.
Previous articleThinkplus Semiconductor Boosts Launch of OnePlus Buds Z2 with Complete Power Management System2021.10.13
Next articleThinkplus Semiconductor: The "Sales Champion" in Popular TWS Earbuds IC2021.08.16