News Center
News Center
12月11日晚,小米在13系列 & MIUI14新品發布會上,正式推出半入耳降噪耳機Xiaomi Buds 4。

(圖片來源:小米官網)
據小米官方介紹,Xiaomi Buds 4外觀采用佩戴更舒適的半入耳設計,聽感上則通過獨立空間音頻技術,為用戶帶來360°環繞和聲隨頭動的沉浸式體驗;同時,Xiaomi Buds 4延續了Buds 3 的旗艦級降噪功能,支持智能主動降噪并提供三種主動降噪模式;首發LHDC 5.0超清傳輸協議,采樣率高達192kz,以及通過Hi-Res Audio Wireless認證;而耳機盒外型采用圓潤的鵝卵石設計,并配備兩種拼接材質,通過 Type-C接口充電。
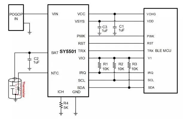
作為其中一大亮點的續航性能,Xiaomi Buds 4實現單次續航長達6小時、搭配充電盒續航30小時以及盒內充電10分鐘聽歌時長2.5小時的亮眼表現。值得注意的是,Xiaomi Buds 4分別內置思遠半導體TWS充電倉SoC芯片SY8809以及電源管理PMIC芯片SY5501。
SY8809內部集成充放電模塊,并采用NVDC架構,通過I2C接口可以非常方便芯片和MCU之間的通訊,可調節充電的電流、電壓,還集成兩路輸出負載存檢測、NTC保護功能以及標準的I2C接口和中斷信號等功能。SY8809還集成通訊端口,可實現MCU與耳機端的高速通信,超高集成度極大簡化了外圍電路和元器件,能夠為Xiaomi Buds 4充電倉的應用提供完美的解決方案。

而PMIC芯片SY5501所提供的充電和隔離通訊解決方案,及其精簡的QFN14-1.6mmx1.6mm封裝,極大地優化了Xiaomi Buds 4的耳機電源管理設計及產品體驗。

據悉,Xiaomi Buds 4現已啟動全渠道正式開售,相信以超高清音頻、超低失真、超強續航等優勢將會吸引眾多消費者青睞。作為此次助力Xiaomi Buds 4發布的思遠半導體,同樣將在產品技術發展上繼續踏入新征程,基于圍繞鋰電池電源管理的應用市場所布局的眾多新產品品類,思遠將有更多新興市場包括智能穿戴、小家電、儲能、出行、工業等應用產品及解決方案面世,讓我們一起期待吧。
關于思遠半導體
深圳市思遠半導體有限公司成立于2011年,國家高新技術企業,TWS行業電源芯片龍頭企業。公司一直專注于電池應用的POWER+電源管理系統芯片設計,致力為智能穿戴、消費電子、工業、儲能系統、新能源汽車等行業提供領先的電池管理系統級芯片解決方案,包括移動電源SoC芯片、TWS耳機電源管理芯片、鋰電池充電芯片、電源管理PMIC、無線充電芯片等。
近兩年來,思遠半導體TWS耳機充電倉SoC芯片市場占有率排名第一,累計出貨超過7億顆。客戶包括小米、vivo、OPPO、一加、realme、傳音、魅族、1MORE、百度、網易、漫步者、JBL、哈曼、聯想等國內外知名品牌,服務全球數億消費者。
公司在深圳、上海、成都、珠海設立了研發中心,研發團隊成員占比約62%,分別畢業于香港科技大學、上海交通大學、華中科技大學、電子科技大學、西安交通大學、西安電子科技大學等知名高校,碩士及以上學歷占比50%以上。截至目前,公司已申請、獲得130+項自主知識產權。
上一篇思遠談“芯”:高性能過壓過流保護芯片SY5321產品簡介2022.12.28
下一篇商用丨祝賀iQOO首款游戲真無線耳機發布 采用思遠半導體充電倉電源管理芯片2022.10.21